英国·威廉希尔(WilliamHill)集团有限公司-官方网站
首页
关于我们
公司概况
英国威廉希尔公司
社会责任
联系我们
新闻资讯
公司新闻
通知公告
媒体报道
产品中心
包装规范
产品封装图
分立器件
集成电路
新品发布
汽车电子
中低压MOSFET
高压MOSFET
IGBT
功率二极管
肖特基二极管
快恢复二极管
整流二极管
整流器件
整流桥
同步整流模块
MOSFET
中低压MOSFET
高压MOSFET
碳化硅
碳化硅MOS
碳化硅二极管
IGBT
IGBT模块
IGBT单管
功率三极管
小信号
MOS
开关二极管
SBD
ZENER
TRANSISTORS
TVS
ESD
氮化镓
高压GaN-HEMT
低压GaN-HEMT
品质与环保
质量方针
环境方针
体系认证
绿色承诺
实验室
产品应用
汽车及配套
新能源应用
工业应用
便携储能
消费类电源
特殊应用
技术支持
客户服务
FAE支持
平伟招标
人力资源
招聘流程
招聘信息
员工天地
EN
首页
关于我们
公司概况
英国威廉希尔公司
社会责任
联系我们
大中华区
海外
新闻资讯
公司新闻
通知公告
媒体报道
产品中心
包装规范
产品封装图
分立器件
汽车电子
中低压MOSFET
高压MOSFET
IGBT
功率二极管
肖特基二极管
快恢复二极管
整流二极管
整流器件
整流桥
同步整流模块
MOSFET
中低压MOSFET
高压MOSFET
碳化硅
碳化硅MOS
碳化硅二极管
IGBT
IGBT模块
IGBT单管
功率三极管
小信号
MOS
开关二极管
SBD
ZENER
TRANSISTORS
TVS
ESD
氮化镓
高压GaN-HEMT
低压GaN-HEMT
集成电路
新品发布
品质与环保
质量方针
环境方针
体系认证
ISO 9001 质量体系
IS0 14001 环境体系
ISO 45001 职业健康体系
IATF 16949 汽车体系
UL
QC080000
社会责任管理体系
绿色承诺
REACH250+6项(无铅)
REACH250+6项(含铅)
RoHS 2.0
TSCA
冲突矿产
卤素
其他物质
POPs
PFAS
实验室
Laboratory introduction
资质认证
检测能力
可靠性试验能力
AEC-Q101认证流程
失效分析能力
失效分析流程
失效分析案例
电路应用与测试
部分测试分析仪器
产品应用
汽车及配套
汽车助力转向器
汽车6.6kW双向OBC
汽车车灯供电
汽车充电桩
新能源应用
电动助力车电池管理系统
化成分容
工业应用
服务器电源应用电路
便携储能
解决方案总览
户外电源充电器65w
BMS电路
BUCK-BOOST电路、照明灯电路
Tpye-C管理单元
逆变器电路
消费类电源
车载逆变器
特殊应用
光伏发电逆变器
技术支持
客户服务
FAE支持
平伟招标
人力资源
招聘流程
招聘信息
员工天地
产品中心
>
产品封装图
包装规范
产品封装图
分立器件
集成电路
新品发布
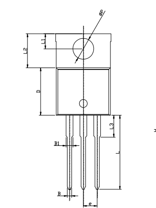
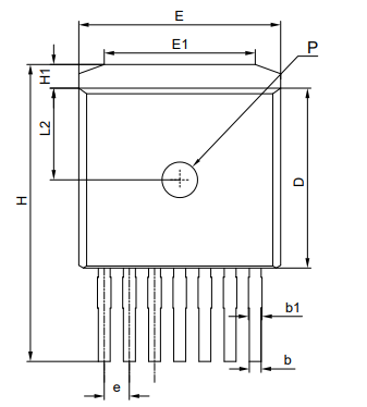
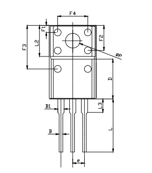
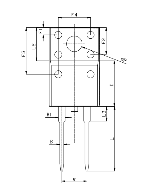
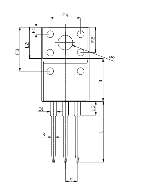
TO-220NF-3L外形图纸#V1.0-Model
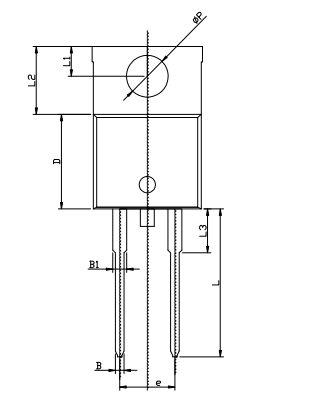
TO-220TF-3L外形图纸#V1.0-Model
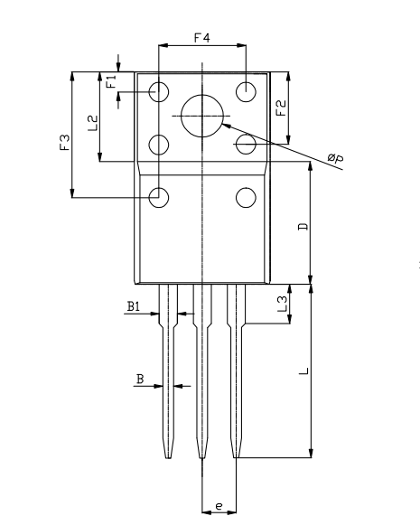
TO-220MF-2L外形图纸#V1.0-Model
TO-220MF-3L外形图纸#V1.0-Model
TO-220F-2L外形图纸#V1.0-模型(1)
TO-220F-3L外形图纸#V1.0-模型(1)
TO-220AB-2L外形图纸#V1.0-Model
TO-220AB-3L外形图纸#V1.0-Model
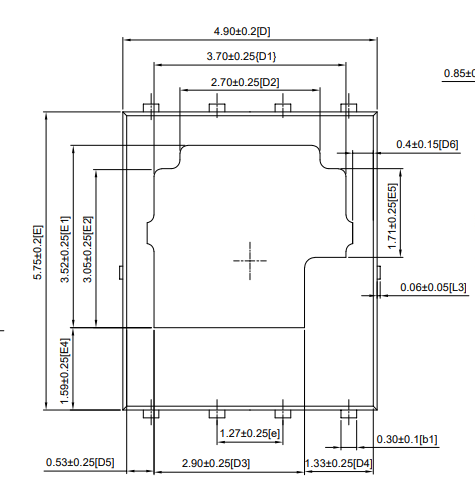
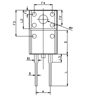
TO-263-7H外形图
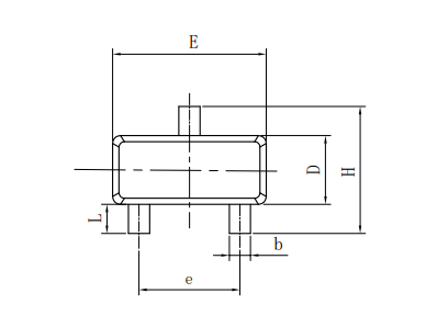
SOT23外形图
PWTO-263-7H外形图
DFN5X6双面散热外形尺寸
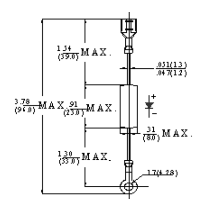
R(Forming)
VM(Forming)
VI(Forming)
VK(Forming)
VL(Forming)
HVM
HV
R-6
共85条
<
1
2
3
4
5
>